02.03.26|🕒 15 мин.
Создание ведомости отделки помещений. Как быть в отсутствие специальных инструментов?
Автор: Лосева Руслана Витальевна, специалист отдела внедрения инженерного ПО (ООО "РОМБИТ")
Создание ведомости отделки помещений. Как быть в отсутствие специальных инструментов?
Автор: Лосева Руслана Витальевна, специалист отдела внедрения инженерного ПО (ООО "РОМБИТ")
Содержание:
1. Пополнение библиотеки материалов объектами
2. Создание ЦИМ с формированием слоёв и заполнением атрибутов материалов
3. Настройка и применение скрипта обработки модели
4. Настройка профиля экспорта данных
5. Создание «шапки» ведомости отделки
6. Формирование ведомости отделки в соответствии с требованиями ГОСТ
Ведомость отделки помещений формируется архитекторами и проектировщиками как на начальной стадии разработки отделочных решений, так и при последующем создании дизайн-проекта. Этот документ является важной частью проектной документации и обеспечивает точное определение материалов, технологий, требований к выполнению работ.
Если вы уже знакомы с nanoCAD BIM Строительство 25, то знаете, что на сегодняшний день функционал многослойных конструкций находится в процессе разработки.

Также окно настройки текстовых стилей позволяет создать новый стиль или удалить существующий (за исключением используемых).
Тем не менее, программный продукт предоставляет большие возможности для проектирования, что позволяет специалистам формировать ведомость отделки помещений даже при отсутствии специальных инструментов. Если вы еще только рассматриваете переход на nanoCAD BIM Строительство, предлагаю ознакомиться с гибкими инструментами, посредством которых можно повысить эффективность проектной деятельности.
Ниже будет представлено подробное описание каждого этапа создания ведомости отделки помещений. Опытным пользователям nanoCAD BIM Строительство и/или Model Studio CS этого плана будет достаточно для самостоятельного воспроизведения решения.
Мы разберем, как пополнить библиотеку материалов объектами, создать ЦИМ с формированием слоев и заполнением атрибутов материалов, а также настроить и применить скрипт обработки модели. Рассмотрим настройку профиля экспорта данных, создание шапки ведомости отделки и окончательное формирование ведомости в соответствии с требованиями ГОСТ.
Пополнение библиотеки материалов объектами
Первый этап включает в себя создание пользовательской отделки и ее добавление в базу материалов. Наименование материала будет использоваться как «маяк» при применении отделки через скрипт обработки модели. Основное требование – соответствие параметра BUILD MATERIAL ID (Идентификатор материала) и имени отделочных элементов в базе данных. Это обеспечит корректную работу скрипта и правильную привязку материалов. На вкладке BIM Архитектура, группа Модель выбираем в выпадающем списке База материалов. Далее выбираем Создать новый материал и именуем отделку таким образом, чтобы BUILD_MATERIAL_ID соответствовал принятым правилам именования типов отделки, обеспечивая корректное выполнение операции добавления отделочных материалов.
На рис. 1 приведен пример именования типов отделки: ОТ-КП-101 – чистовая отделка стен, ОТ-КП-201 – чистовая отделка полов, ОТ-КП-301 – чистовая отделка потолков:
• ОТ – отделка;
• КП – Кузбасспроект ;
• 101 – номер, по которому мы понимаем, что эта отделка характерна только для стен (>100 и <200). Значение >200 и <300 характерно только полам. Значение для потолков: >300. Именно таким образом будет производиться наименование материалов отделки.

Рис. 1. Диалоговое окно базы материалов

Рис. 1. Диалоговое окно базы материалов
Затем выбираем Создать новый материал (рис. 2).

Рис. 2. Создание нового материала

Рис. 2. Создание нового материала
Задаем класс будущего материала и именуем отделку пилотного проекта согласно правилам, определенным ранее.
Чтобы избежать конфликтов между элементами многослойных конструкций, необходимо установить отделке низкий приоритет пересечения. Назначаем штриховку, цвет и масштаб на свой вкус – для визуального определения элементов отделки в ЦИМ. Настройки материала представлены на рис. 3.

Рис. 3. Настройки материала ОТ-КП-301

Рис. 3. Настройки материала ОТ-КП-301
Создание ЦИМ с формированием слоев и заполнением атрибутов материалов
После добавления необходимых материалов можно переходить ко второму этапу – моделированию ограждающих конструкций помещения. На рис. 4 представлено тестовое сооружение из стен и перекрытий, по которому в дальнейшем мы соберем ведомость.

Рис. 4. Тестовая модель отделки

Рис. 4. Тестовая модель отделки
Рассмотрим этапы создания стен и перекрытий на примере пилотного проекта. Задаем стене толщину 5 мм и назначаем ей материал – в нашем случае ОТ-КП-101 (рис. 5). Аналогичную операцию выполняем для перекрытия (потолка) и указываем материал ОТ-КП-301.

Рис. 5. Задаем материал стены и перекрытия

Рис. 5. Задаем материал стены и перекрытия
Как уже сказано, по заданным числовым индексам определяется тип отделки – потолок или стена. Теперь в свойствах элементов необходимо добавить параметры (рис. 6): AEC_ROOM_NUM и AEC_ROOM_NAME для дальнейшего заполнения данных атрибутов и сборки ведомости отделки по помещениям. Добавить параметры можно, массово выделив все необходимые объекты (вручную, быстрым выбором или через специальный профиль Спецификатора).

Рис. 6. Добавляем параметры помещения

Рис. 6. Добавляем параметры помещения
Настройка и применение скрипта обработки модели
На третьем этапе мы переходим к обработке модели. Используем команду URS_PROCCES_MODEL. Эта команда наследована из решений Model Studio CS и может быть вам уже знакома. Импортируем профиль и применяем его к модели (рис. 7).

Рис. 7. Импорт профиля

Рис. 7. Импорт профиля
Скрипт добавляет из БД (библиотеки элементов) заранее созданные компоненты, которые содержат настроенные слои (дочерние объекты) и параметры в них для вывода в ведомость отделки. При добавлении сравнивается параметр BUILD_MATERIAL_ID элемента модели. Проверяется наличие дочерних элементов со слоями отделки (во избежание бесконечного добавления отделки в элементы). В БД находится элемент, у которого есть параметр BUILD_MATERIAL_ID, и он равен значению этого же параметра у элемента в модели. Найденный в БД объект вставляется как дочерний объект в элемент модели. Таким образом, мы получаем визуализацию отделки со слоями, а также всеми необходимыми данными для ведомости отделки. Сравнение свойств стены до и после добавления отделки посредством использования скрипта представлено на рис. 8 и 9.

Рис. 8. Свойства стены до добавления отделки

Рис. 8. Свойства стены до добавления отделки

Рис. 9. Свойства стены после добавления отделки

Рис. 9. Свойства стены после добавления отделки
Теперь наименования дочерних элементов будут передаваться в спецификацию посредством использования формул в Мастере функций, о котором мы поговорим в следующем разделе.
Настройка профиля экспорта данных
На четвертом этапе мы, используя Спецификатор, формируем ведомость и в дальнейшем будем выводить ее как таблицу .dwg. Вызываем Спецификатор через вкладку BIM Архитектура в группе Отчеты и публикация и выбираем Мастер экспорта данных, в который импортируем заготовленный профиль экспорта (рис. 10-11).

Рис. 10. Импорт профиля

Рис. 11. Профиль появился в списке

Рис. 10. Импорт профиля

Рис. 11. Профиль появился в списке
Теперь активируем флажок Изменить выбранный профиль перед применением и изучим состав профиля экспорта. Он содержит три взаимосвязанные выборки данных (рис. 12-13), которые иерархически зависимы друг от друга.

Рис. 12. Выборки данных

Рис. 13. Зависимость выборок через поля привязок

Рис. 12. Выборки данных

Рис. 13. Зависимость выборок через поля привязок
Начнем с отделки потолка. Выбираем Редактировать выборку. Ищем среди ЖБ-перекрытий объекты, которые подходят под следующие условия отбора объектов:
BUILD_MATERIAL_ID <> "" and substr(name, 6, 3)>300 (рис. 14).

Рис. 14. Условия выборки отделки потолка

Рис. 14. Условия выборки отделки потолка
Объяснение формулы: BUILD_MATERIAL_ID (Идентификатор материала) не должен быть пустым и подстрока с 6-го символа имени объекта должна иметь значение больше 300.
Пример подходящего элемента – ОТ-КП-301. Данные номера соответствуют потолкам. Такое кодирование принято в пилотном проекте с целью максимальной стандартизации подхода и для разделения видов отделок (черновых и чистовых) стен, полов и потолков. Принятая методика работы позволяет использовать при моделировании в качестве элементов отделки не только перекрытия и стены, а вообще любые элементы модели – в том числе сложные элементы, выполненные параметрическими объектами или конвертированные из других векторных форматов.
Аналогичным образом происходит отбор для стен и фартуков (рис. 15-16). Изменяются лишь условие отбора и тип объекта.

Рис. 15. Условия отбора стен

Рис. 16. Условия отбора фартуков

Рис. 15. Условия отбора стен

Рис. 16. Условия отбора фартуков
Возвращаемся к выборке отделки потолка и нажимаем кнопку Далее. Видим пять ключевых параметров, которые формируют спецификацию. Рассмотрим функции столбцов профиля экспорта (рис. 17):

Рис. 17. Функции столбцов экспорта

Рис. 17. Функции столбцов экспорта
• параметр с функцией NAME (И элемента);
• параметр, по которому мы именуем помещения, задан следующей формулой: root.[AEC_ROOM_NUM] & " " & root.[AEC_ROOM_NAME] & "|";
• параметр, который считывает чистую площадь поверхности: [AEC_SURFACE_AREA_NETTO];
• параметр, по которому собирается вид отделки. Ищем первый элемент коллекции, соответствующий условию, а затем конкатенируем строковые значения функций (названия слоев) для элементов. Также добавляем толщину слоя, если у него задан соответствующий параметр (рис. 18).

Рис. 18. Функция сборки названий и толщин слоев для вида отделки

Рис. 18. Функция сборки названий и толщин слоев для вида отделки
Форматируем результат отбора группы (Наименование помещения и Вид отделки) следующим образом: formatList(VALUE, "|", sortNone, compactUnique, "...", "\n", numSrchNone) – (рис. 19):
• formatList – производит сортировку и сжатие списка в строке;
• sortNone – порядок без сортировки: как строки попали в функцию, так и выводятся;
• compactUnique – сжимает список до уникальных значений;
• numSrchNone – важно только для сортировки, если в собираемых строках есть числа в начале или в конце.

Рис. 19. Функция для форматирования группы

Рис. 19. Функция для форматирования группы
Группировку и сортировку производим в спецификации по параметру «AEC_ELEMENT_RELELEV_BASE» (Базовый уровень низа) – (рис. 20).

Рис. 20. Группировка спецификации

Рис. 20. Группировка спецификации
Аналогичным образом задаем функции стенам и фартукам (рис. 21-22). «index» – переменная, которая выводит подстроку с 6-го символа имени объекта. Группировка и сортировка заданы в главной выборке (отделка потолка).

Рис. 21. Функция площади стен

Рис. 22. Функции параметров для фартуков

Рис. 21. Функция площади стен

Рис. 22. Функции параметров для фартуков
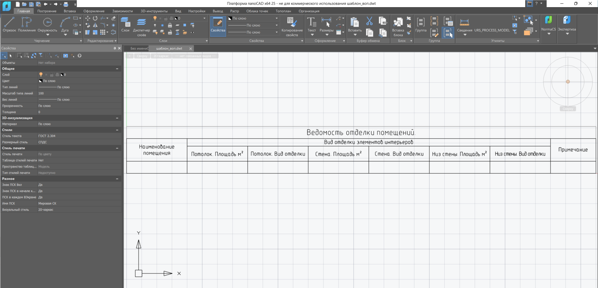
Создание шапки ведомости отделки
Пятый этап – создание шапки для ведомости (рис. 23). Ниже представлена понятная пошаговая инструкция по созданию шапки с использованием базовых инструментов Платформы nanoCAD 25.

Рис. 23. Шапка ведомости

Рис. 23. Шапка ведомости
Для начала создаем стиль таблицы и выставляем настройки, как показано на рис. 24. Активируем данный стиль и далее используем его.

Рис. 24. Настройки пользовательского стиля таблицы

Рис. 24. Настройки пользовательского стиля таблицы
В качестве шаблона-донора будем использовать таблицу nanoCAD, которая находится на вкладке Оформление в группе Таблицы. Применяем уже готовую ведомость отделки помещений из базы шаблонов (рис. 25).

Рис. 25. Путь к шаблону таблицы из базы

Рис. 25. Путь к шаблону таблицы из базы
Редактируем структуру таблицы (рис. 26): удаляем/добавляем строки и столбцы; оставляем только те ячейки, которые будут составлять шапку и одну строку данных.

Рис. 26. Диалоговое окно редактора таблиц

Рис. 26. Диалоговое окно редактора таблиц
Преобразуем таблицу nanoCAD в таблицу .dwg (рис. 27).

Рис. 27. Преобразуем таблицу в формат .dwg

Рис. 27. Преобразуем таблицу в формат .dwg
Для ячеек строки данных задаем свойства: высоту, отступ, стиль, цвет, выравнивание и т.д. Выставленные свойства с требованиями ГОСТ показаны на рис. 28.

Рис. 28. Свойства строки данных

Рис. 28. Свойства строки данных
Задаем ширину и высоту для всех остальных ячеек, также с требованиями ГОСТ, и выставляем настройку стиля ячеек По строке/столбцу, чтобы применять форматирование единообразно (рис. 29).

Рис. 29. Свойства таблицы

Рис. 29. Свойства таблицы
Проверяем соответствие всех свойств шапки и затем сохраняем ее как файл шаблона .dwt для повторного использования в других проектах (рис. 30).

Рис. 30. Сохраняем шапку в формате шаблона

Рис. 30. Сохраняем шапку в формате шаблона
Формирование ведомости отделки в соответствии с требованиями ГОСТ
Заключительный этап – настройка отображения таблицы в окне Спецификатора. Выставленные параметры для корректного вида ведомости представлены на рис. 31.

Рис. 31. Настройки таблицы перед публикацией

Рис. 31. Настройки таблицы перед публикацией
После выполнения всех настроек и публикации получаем ведомость отделки (рис. 32), которая собирает всю необходимую информацию в проекте и выводится в соответствии с требованиями ГОСТ. Обновление таблиц происходит по команде Обновить спецификацию (рис. 33).

Рис. 32. Итоговая таблица ведомости отделки помещений

Рис. 32. Итоговая таблица ведомости отделки помещений

Рис. 33. Кнопка Обновить спецификацию

Рис. 33. Кнопка Обновить спецификацию
Проверить способность таблицы к обновлению предлагаю на примере добавления нового элемента отделки в проект. Добавляем перекрытие, задаем ему материал для потолков, а также произвольные номер и наименование помещения. Обрабатываем модель через скрипт и получаем результат, показанный на рис. 34 и 35.

Рис. 34. Ведомость отделки до обновления спецификации

Рис. 34. Ведомость отделки до обновления спецификации

Рис. 35. Ведомость отделки после обновления спецификации

Рис. 35. Ведомость отделки после обновления спецификации
Отделка потолка добавилась в необходимые группы. Есть повод порадоваться: мы получили корректную обновленную ведомость (рис. 36).

Рис. 36. Обновленная таблица ведомости отделки помещений

Рис. 36. Обновленная таблица ведомости отделки помещений
Мы рассмотрели комплексный подход к формированию ведомости отделки помещений средствами nanoCAD BIM Строительство 25, причем в условиях, когда специализированный инструмент для многослойных конструкций еще находится в разработке. Представленное решение подтверждает, что nanoCAD BIM Строительство обладает достаточным арсеналом инструментов для реализации ведомости отделки. Используя комбинацию базовых BIM-инструментов, инструментов Платформы, скриптовой обработки и Спецификатора, пользователь может успешно решить эту задачу.
В заключение хочется пожелать нашим клиентам, коллегам и партнерам получения только безупречных ведомостей отделок!

